SRJ-4系列石英挠性加速度计是一款小型化、高精度、大量程军用惯导级加速度计。
产品具有优良的长期稳定性、重复性、启动性能、环境适应性及高可靠性等特点,既可用于静态测试也可以用于动态测试,也是一款标准的振动传感器。
产品采用独特的小型化设计和封装工艺,输出电流和所受到的力或加速度成线性关系,用户可以通过计算选取合适的采样电阻,达到高精度的输出。并可根据用户需求内置温度传感器,用于对偏值和标度因数的补偿,减少环境温度的影响。
应用领域 :航天、航空、船舶、兵器等领域军用惯导系统的惯性测量及精密仪器设备隔振测试。
|
序号 |
参数 |
SRJ4-01 |
SRJ4-02 |
SRJ4-03 |
|
1 |
范围 |
±40g |
±40g |
±40g |
|
2 |
阈值 |
5μg |
5μg |
5μg |
|
3 |
偏值 K0 |
≤±5 mg |
≤±7 mg |
≤±10 mg |
|
4 |
标度因数 K1 |
1.1±0.2 mA/g |
1.1±0.2 mA/g |
1.1±0.2 mA/g |
|
5 |
二阶非线性系数K2 |
≤±20μg /g2 |
≤±30μg /g2 |
≤±30μg /g2 |
|
6 |
0g 4小时短期稳定性 |
≤20 μg |
≤20 μg |
≤20 μg |
|
7 |
1g 4 小时短期稳定性 |
≤20 ppm |
≤20 ppm |
≤20 ppm |
|
8 |
偏值综合重复性σk0 (1σ,1月) |
≤40 μg |
≤50 μg |
≤100 μg |
|
9 |
标度因数综合重复性 σk1/k1 (1σ,1月) |
≤40ppm |
≤50 ppm |
≤100ppm |
|
10 |
非线性系数综合重复性k2/k1(1σ,1月) |
≤±20 μg /g2 |
≤±30 μg /g2 |
≤±30 μg /g2 |
|
11 |
偏值温度系数(全温均值) |
≤±50 μg /℃ |
≤±50 μg /℃ |
≤±100 μg /℃ |
|
12 |
标度因数温度系数(全温均值) |
≤±50 ppm /℃ |
≤±80 ppm /℃ |
≤±100 ppm /℃ |
|
13 |
噪声(采样电阻为 840Ω) |
≤8.4mv |
≤8.4mv |
≤8.4mv |
|
14 |
固有频率 |
350~800 Hz |
350~800 Hz |
350~800 Hz |
|
15 |
带宽 |
800~2500 Hz |
800~2500 Hz |
800~2500 Hz |
|
16 |
随机振动 |
10g(20-2000Hz) |
10g(20-2000Hz) |
10g(20-2000Hz) |
|
17 |
冲击 |
150g,0.5ms,1/2sin |
150g,0.5ms,1/2sin |
150g,0.5ms,1/2sin |
|
18 |
工作温度范围 |
-55~+85℃ |
-55~+85℃ |
-55~+85℃ |
|
19 |
存储温度范围 |
-60~+120℃ |
-60~+120℃ |
60~+120℃ |
|
20 |
供电 |
±12~±15V |
±12~±15V |
±12~±15V |
|
21 |
消耗电流 |
≤±20mA |
≤±20mA |
≤±20mA |
|
22 |
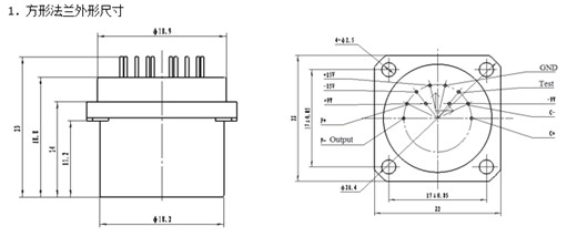
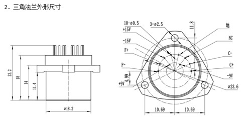
尺寸 |
Ф18.2X23mm |
Ф18.2X23mm |
Ф18.2X23mm |
|
23 |
重量 |
≤30克 |
≤30克 |
≤30克 |








